В наше время электроника стала неотъемлемой частью автомобилей. С одной стороны, это позволяет нам наслаждаться комфортом и разнообразными функциями, но с другой — создает определенные сложности при подключении и настройке различных систем и устройств. Один из таких случаев — подключение мультимедийной системы Вистеон 10ГА к автомобилю Nissan. Для успешной установки и использования этого устройства необходимо знать точную распиновку соединений. В данной статье мы предлагаем вам подробную схему подключения Вистеон 10ГА к автомобилю Nissan, которая поможет вам справиться с этой задачей.
Перед началом установки мультимедийной системы Вистеон 10ГА вам потребуются следующие инструменты:
- Отвертка
- Переключатель
- Паяльная станция
- Провода с разъемами
Важно отметить, что проведение любых работ, связанных с электричеством, требует особой осторожности и соблюдения мер безопасности. Перед началом работы убедитесь, что автомобиль выключен и зажигание отключено.
Для подключения Вистеон 10ГА к автомобилю Nissan вам потребуется выполнить следующие шаги:
- Откройте багажник автомобиля и найдите коммутационную панель.
- С помощью отвертки аккуратно снимите панель, чтобы получить доступ к задней части навигационной системы.
- С помощью переключателя установите Вистеон 10ГА на передней панели и закрепите его с помощью винтов.
- Подключите штекеры между Вистеон 10ГА и выходными разъемами автомобиля Nissan, согласно предоставленной схеме подключения.
- С помощью паяльной станции и проводов с разъемами выполняйте пайку соединений согласно схеме подключения. Убедитесь, что провода правильно закреплены и изолированы.
- Проверьте, что все соединения выполнены правильно и нет неправильных контактов.
- Установите обратно коммутационную панель и закройте багажник.
- Включите зажигание автомобиля и проверьте функциональность Вистеон 10ГА.
Следуя этой подробной схеме подключения, вы сможете успешно установить мультимедийную систему Вистеон 10ГА в свой автомобиль Nissan. Не забывайте, что в случае возникновения сложностей или неопределенностей, лучше обратиться к специалисту, который поможет вам справиться с этой задачей. Удачной установки и приятных поездок!
Необходимость знания распиновки Вистеон 10ГА Ниссан
При работе с устройством Вистеон 10ГА Ниссан важно иметь полное понимание его распиновки. Распиновка представляет собой схему подключения различных контактов и проводов, которые соединяют устройство с другими компонентами автомобиля.
Знание распиновки Вистеон 10ГА Ниссан помогает в различных ситуациях. Во-первых, это позволяет легко подключить устройство к автомобилю, так как заранее известно, какие контакты и провода следует использовать. Во-вторых, при возникновении проблем с работой устройства, знание распиновки поможет быстро определить и исправить возникшие неисправности.
Важно отметить, что распиновка Вистеон 10ГА Ниссан может отличаться в зависимости от модели и года выпуска автомобиля. Поэтому необходимо обратиться к руководству пользователя или профессионалам, чтобы получить актуальную информацию о распиновке для конкретной модели.
Пример использования знания распиновки
Допустим, вы хотите установить новую аудиосистему в свой автомобиль Ниссан. Зная распиновку Вистеон 10ГА Ниссан, вы можете точно определить, к каким контактам и проводам необходимо подключать аудиосистему. Без этого знания вы можете столкнуться с проблемами, включая некорректное подключение или даже повреждение устройства.
Кроме того, если ваша аудиосистема перестала работать, вы можете использовать знание распиновки для быстрого определения причины неисправности. Вы можете проверить соединения и провода, а также проконсультироваться с руководством, чтобы устранить проблему.
В итоге, знание распиновки Вистеон 10ГА Ниссан является важным для успешного подключения и работы устройства в автомобиле. Благодаря этому знанию вы сможете избежать проблем, связанных с неправильным подключением или возникновением неисправностей.
Важно: Перед любыми манипуляциями с электрическими компонентами автомобиля рекомендуется обратиться к профессионалам или руководству пользователя, чтобы избежать повреждения устройства или автомобиля.
Знание распиновки Вистеон 10ГА Ниссан является ключевым фактором для успешного подключения и работы устройства в автомобиле Ниссан.
Польза схемы подключения Вистеон 10ГА Ниссан
Схема позволяет проверить и выявить возможные дефекты и неисправности, а также правильно подключить или заменить элементы системы. Она помогает улучшить работу и функциональность автомобиля, обнаружить и исправить проблемы с проводкой и электрическим подключением, а также установить новые компоненты или переключатели.
Используя схему подключения Вистеон 10ГА Ниссан, автоспециалист может эффективно и безошибочно провести подключение всех необходимых датчиков, устройств и проводов, что в свою очередь приводит к улучшению работы системы и повышению безопасности движения на дороге.
Кроме того, схема позволяет сэкономить время и избежать грубых ошибок при осуществлении ремонтных работ, поскольку прямо указывает, какие провода и компоненты соединяются между собой в какой последовательности. Это очень важно, особенно при подключении более сложных систем и электроники, где не все провода и соединения очевидны.
Таким образом, владельцам и автоспециалистам, работающим с автомобилями, оснащенными Вистеон 10ГА Ниссан системой, схема подключения Вистеон 10ГА Ниссан приносит большую пользу, облегчая работу и повышая надежность работы системы автомобиля.
Место расположения разъема Вистеон 10ГА Ниссан
Разъем Вистеон 10ГА в автомобилях Ниссан располагается в специальном отсеке или панели приборов. Обычно его можно найти в нижней части панели, рядом с дополнительными розетками и другими разъемами.
Для доступа к разъему Вистеон 10ГА необходимо снять пластиковую крышку или откинуть панель приборов. В случае, если вы не знаете точное местоположение разъема, рекомендуется обратиться к руководству по эксплуатации автомобиля Ниссан или обратиться к специалистам-электрикам.
Убедитесь, что перед началом работы с разъемом Вистеон 10ГА автомобиль полностью выключен. Это важно для предотвращения возможных повреждений и обеспечения безопасности.
Подключение к разъему Вистеон 10ГА позволяет осуществлять передачу данных и подачу питания от внешних устройств. Благодаря этому разъему вы можете подключить различные гаджеты и аксессуары, такие как видеорегистраторы, навигационные системы, дополнительные датчики и другие устройства.
Способы подключения Вистеон 10ГА Ниссан
В зависимости от модели и года выпуска автомобиля Ниссан, способы подключения Вистеон 10ГА могут отличаться. Ниже представлены несколько распространенных способов подключения данного устройства к салону автомобиля.
- Подключение через AUX-вход: Вистеон 10ГА может быть подключен к салону автомобиля через AUX-вход на стереосистеме. Для этого необходимо использовать 3,5 мм аудиокабель, подсоединив его к аудиовыходу Вистеон 10ГА и AUX-входу на стереосистеме автомобиля.
- Подключение через Bluetooth: Если автомобиль оснащен функцией Bluetooth, можно подключить Вистеон 10ГА к салону автомобиля без использования проводов. Для этого нужно включить Bluetooth на Вистеон 10ГА и в настройках телефона или планшета найти и подключиться к устройству.
- Подключение через FM-трансмиттер: Если автомобиль не имеет AUX-входа или Bluetooth, можно использовать FM-трансмиттер для подключения Вистеон 10ГА. В этом случае необходимо настроить FM-трансмиттер на свободную частоту и подключить Вистеон 10ГА к нему с помощью аудиокабеля или через Bluetooth.
- Подключение через USB-порт: Если автомобиль имеет USB-порт, можно подключить Вистеон 10ГА напрямую к нему. Для этого достаточно использовать USB-кабель, подсоединив его к Вистеон 10ГА и USB-порту автомобиля. В этом случае могут быть необходимы дополнительные настройки для воспроизведения звука через USB.
Перед тем как подключать Вистеон 10ГА к автомобилю, необходимо ознакомиться с инструкцией по эксплуатации автомобиля, чтобы узнать доступные варианты подключения. Также рекомендуется обратиться к специалисту или сервисному центру для получения дополнительной информации и консультации.
Технические характеристики Вистеон 10ГА Ниссан
Подключение и управление
Система Вистеон 10ГА подключается к аудиосистеме автомобиля Ниссан с помощью стандартного разъема. Она обеспечивает выбор и переключение между различными источниками звука, такими как радио, CD-плеер, USB-накопитель или Bluetooth-устройство.
Управление аудиосистемой осуществляется с помощью специальной панели управления, которая интегрируется в салон автомобиля. Она имеет интуитивно понятный интерфейс и удобные кнопки, позволяющие настроить звуковые параметры и выбрать желаемый источник звука.
Звуковые характеристики
Аудиосистема Вистеон 10ГА обладает высоким качеством звука и мощностью, что позволяет создать уникальную атмосферу в салоне автомобиля. Она воспроизводит звуковой диапазон от самых низких до самых высоких частот, сохраняя при этом чистоту и ясность звучания.
Эта аудиосистема также поддерживает возможность настройки звучания в соответствии с индивидуальными предпочтениями владельца автомобиля. Можно изменить уровень басов, высот и середины, чтобы достичь наиболее комфортного звучания для себя.
Технические характеристики Вистеон 10ГА Ниссан делают эту аудиосистему незаменимой для тех, кто ценит высокое качество звука и комфортное прослушивание музыки в автомобиле.
Как правильно подключить Вистеон 10ГА Ниссан
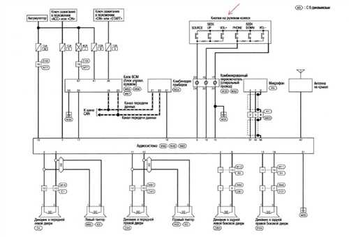
Для правильного подключения Вистеон 10ГА Ниссан необходимо следовать определенной схеме подключения. Ниже представлена подробная инструкция:
| Номер контакта | Описание | Подключение |
|---|---|---|
| 1 | Прямой ввод +12 В | Подключить к позитивному клеммному блоку аккумулятора |
| 2 | Прямой ввод +12 В | Подключить к позитивному клеммному блоку аккумулятора |
| 3 | Датчик скорости автомобиля | Подключить к проводу датчика скорости |
| 4 | Прямой ввод +12 В | Подключить к позитивному клеммному блоку аккумулятора |
| 5 | Парковочный тормоз (+) | Подключить к проводу парковочного тормоза |
| 6 | Камера заднего вида (+) | Подключить к проводу камеры заднего вида (+) |
| 7 | Не используется | Не подключать |
| 8 | Не используется | Не подключать |
| 9 | Не используется | Не подключать |
| 10 | Не подключать |
При подключении убедитесь, что все провода правильно подключены и зафиксированы
Основные ошибки при подключении Вистеон 10ГА Ниссан
При подключении Вистеон 10ГА Ниссан могут возникнуть некоторые ошибки, которые могут затруднить процесс установки и использования данной модели. Ниже приведены основные ошибки, которые стоит избегать:
- Неправильное соединение проводов. Подключение проводов неправильно может привести к неполадкам или полному отказу работы аудиосистемы. Важно следовать инструкции по распиновке и правильно подключать провода.
- Неправильное место установки. Вистеон 10ГА Ниссан необходимо правильно установить в автомобиль, иначе возможны проблемы с работой системы. Необходимо учитывать рекомендации производителя по установке и обратить внимание на особенности конкретной модели автомобиля.
- Некорректная настройка аудиосистемы. После установки Вистеон 10ГА Ниссан необходимо произвести настройку системы согласно инструкции. Некорректная настройка может привести к неправильному звучанию и снижению качества звука.
- Неучтенные особенности автомобиля. Каждый автомобиль имеет свои особенности, которые необходимо учитывать при подключении Вистеон 10ГА Ниссан. Необходимо узнать о возможных ограничениях и рекомендациях производителя автомобиля по подключению дополнительных устройств.
- Отсутствие дополнительных аксессуаров. Для подключения Вистеон 10ГА Ниссан могут потребоваться дополнительные аксессуары, такие как адаптеры и переходники. Их отсутствие может привести к неправильной работе системы.
Избегая данных ошибок, можно успешно подключить и использовать Вистеон 10ГА Ниссан и наслаждаться качественным звучанием вашей аудиосистемы.
Дополнительное оборудование для подключения Вистеон 10ГА Ниссан
Для полноценной работы Вистеон 10ГА в автомобилях Ниссан, помимо самого мультимедийного устройства, могут потребоваться некоторые дополнительные аксессуары:
1. Кабель питания
Для подключения Вистеон 10ГА к электрической сети автомобиля необходим специальный кабель питания. Он служит для передачи электрического тока от бортовой сети автомобиля к мультимедийному устройству. Данный кабель обычно включается в комплект поставки Вистеон 10ГА.
2. Кабель аудио/видео

Для передачи аудио и видеосигнала от Вистеон 10ГА к автомобильной аудио- и видеосистеме необходим специальный кабель аудио/видео. Он позволяет передавать сигналы высокого качества и обеспечивает их передачу без потерь. Кабель обычно поставляется в комплекте с Вистеон 10ГА.
3. Антенна GPS
Для работы навигационной системы Вистеон 10ГА необходима антенна GPS. Она служит для приема сигналов со спутниковой навигационной системы и передачи их на мультимедийное устройство. Антенна обычно устанавливается на крыше автомобиля и поставляется в комплекте с Вистеон 10ГА.
4. Камера заднего вида
Для обеспечения удобства при парковке, к Вистеон 10ГА можно подключить специальную камеру заднего вида. Она позволяет видеть пространство позади автомобиля и помогает избежать столкновений при движении задним ходом. Камера обычно устанавливается на задней части автомобиля и может быть приобретена отдельно.
Использование дополнительного оборудования позволяет расширить функциональные возможности Вистеон 10ГА и сделать его использование в автомобиле Ниссан более удобным и комфортным.
Возможные проблемы при подключении Вистеон 10ГА Ниссан
При подключении Вистеон 10ГА к автомобилю Ниссан могут возникнуть некоторые проблемы, которые важно учитывать для успешной установки и использования устройства.
1. Несовместимость с автомобилем
Перед приобретением и установкой Вистеон 10ГА Ниссан, необходимо убедиться в его совместимости с вашим автомобилем. Проверьте модель и год выпуска автомобиля, чтобы избежать возможных проблем при подключении устройства.
2. Неправильные подключения
Одной из основных причин ошибок при установке Вистеон 10ГА является неправильное подключение к автомобильной электросистеме. Важно следовать подробной схеме подключения и инструкциям, чтобы избежать повреждения устройства или автомобиля.
Также, следует учитывать, что подключение может потребовать специальных адаптеров или переходников, которые могут быть необходимы для корректной работы устройства в вашем конкретном автомобиле.
3. Проблемы с программным обеспечением
Иногда возникают проблемы с программным обеспечением Вистеон 10ГА, которые могут вызывать ошибки или неполадки при его использовании. Если возникают проблемы при работе устройства, рекомендуется обновить прошивку или обратиться за помощью к производителю.
4. Ограничения функциональности
Вистеон 10ГА может иметь ограничения функциональности в зависимости от подключенного автомобиля или опций, установленных в нем. Некоторые функции устройства могут быть недоступны или ограничены в работе. Перед покупкой и установкой устройства рекомендуется ознакомиться с его возможностями и ограничениями.
В целом, перед подключением Вистеон 10ГА Ниссан, важно внимательно изучить инструкции и рекомендации производителя, а также проконсультироваться со специалистом, если возникают трудности или вопросы.
Советы по установке и подключению Вистеон 10ГА Ниссан
Установка и подключение Вистеон 10ГА Ниссан требует определенных навыков и знаний. Следуйте этим советам, чтобы успешно выполнить процесс:
- Перед началом работы убедитесь, что у вас есть все необходимые инструменты и материалы. Это включает в себя отвертки, провода, соединители и другие компоненты.
- Изучите подробную схему подключения и ознакомьтесь с инструкцией к Вистеон 10ГА Ниссан. Это поможет вам понять, как правильно подключить устройство и избежать ошибок.
- Перед установкой отключите аккумулятор автомобиля, чтобы избежать короткого замыкания и повреждения электроники.
- Тщательно прокладывайте провода, чтобы избежать их повреждения в процессе эксплуатации автомобиля.
- Проверьте все соединения и убедитесь, что они надежно закреплены. Неправильные или слабые соединения могут привести к неполадкам и неисправностям.
- При подключении проводки следуйте инструкции и обратите внимание на цвета проводов. Это поможет избежать перепутывания и неправильного подключения.
- После завершения установки проверьте работу Вистеон 10ГА Ниссан. Убедитесь, что он правильно подключен и функционирует без проблем.
Следуя этим советам, вы сможете успешно установить и подключить Вистеон 10ГА Ниссан на свой автомобиль. Не стесняйтесь обратиться к специалисту, если у вас возникнут какие-либо трудности в процессе установки.